Home
Our Work
Contact
Stone & Structure
...Where Art Intersects
Home
Our Work
Contact
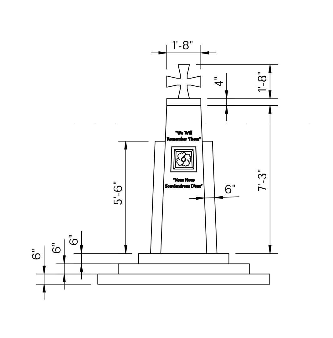
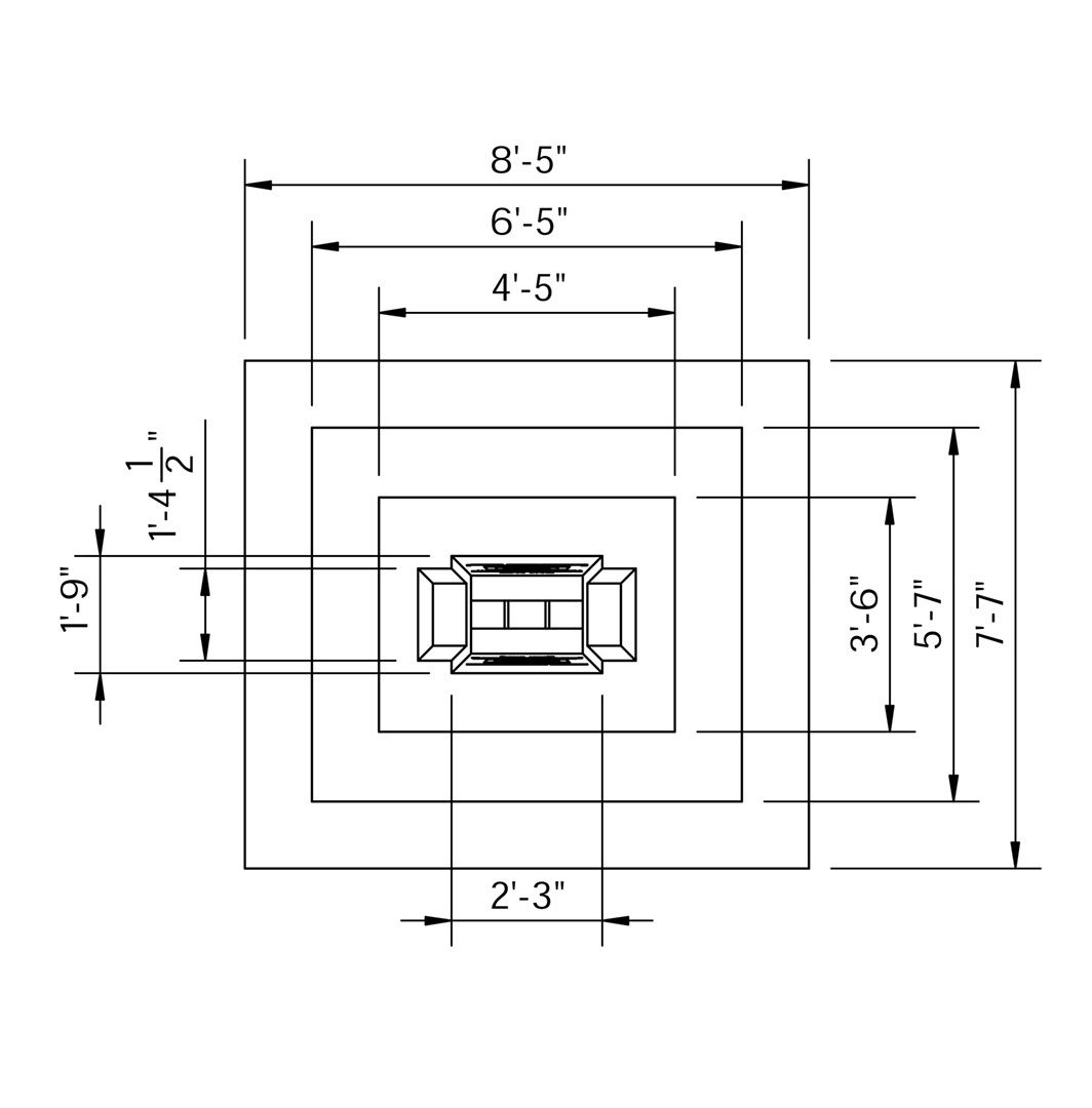
Clearwater Legion
Clearwater, B.C
<<
PREVIOUS PROJECT
<< >>
NEXT PROJECT
>>
↑
Back to Top